Гидравлическая лебедка HEN 10000, планетарная
Мощные и надежные гидравлические лебедки серии NOVAWINCH HEN доказали свою превосходную производительность на рынках и в различных областях применения по всему миру.
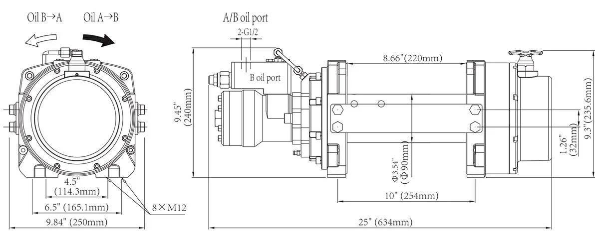
Отверстия для крепления двухжильного троса на барабане для безопасной эксплуатации
Двойной балансировочный клапан обеспечивает надежную работу тормозов
Двухступенчатые планетарные шестерни из высокопрочной закаленной стали обеспечивают высокую производительность и эффективность.
Высокоэффективный, долговечный гидравлический двигатель может вращаться в зависимости от длины маслопровода.
Надежная 100% автоматическая многодисковая гидравлическая тормозная система
ФУНКЦИИ:
Превосходное соотношение веса и прочности.
Сверхпрочное уплотнение лебедки обеспечивает превосходную водонепроницаемость.
Доступны различные принадлежности для различных сфер применения, в том числе трос, натяжитель троса, крюк, роликовый направляющий блок, монтажная пластина и т. д. Поставляется со стандартным ручным сцеплением или дополнительным пневматическим сцеплением.
Проведены испытания рабочего цикла SAE J706 PART6.2.2 с лебедкой HEN18000, достигшей высоты 240 м.
Испытание на прочность при 75%-ном номинальном натяжении лески проводилось в течение 500 циклов, при этом не было обнаружено никаких повреждений редуктора или двигателя.
Примечание:
Трос в комплект не входит.
Дополнительные аксессуары:
Роликовый направляющий ролик повышенной прочности: деталь 200011068083
Натяжитель троса: деталь 803011068006
Нет отзывов
У этого товара пока нет отзывов
