T-MAX EW-18500 24В Firework Series — это мощная электрическая лебедка индустриального класса, предназначенная для работы с тяжелыми грузами. Обладая номинальным тяговым усилием 18500 Lbs (8385 кг), она идеально подходит для установки на эвакуаторы, грузовую спецтехнику и тяжелые внедорожники с бортовым напряжением 24 Вольта.
Высокая производительность и надежность
Лебедка оснащена высокопроизводительным сериесным мотором (series wound Motor) мощностью 6 л.с., который обеспечивает стабильную работу при высоких нагрузках. Система управления включает выносной пульт длиной 30 футов (10 м). Прочная конструкция механизма включает 4-ступенчатый планетарный редуктор и автоматический тормоз, встроенный в барабан.
Технические параметры устройства:
Номинальное тяговое усилие: 8385 кг (18500 Lbs)
Привод: Электрический 24В
Мощность двигателя: 6 л.с.
Редуктор: 4-ступенчатый планетарный
Передаточное число: 473:1
Тормозная система: Автоматический, внутри барабана
Размеры барабана: диаметр 94 мм, длина 217 мм
Параметры троса: 11.5 мм х 28.5 м
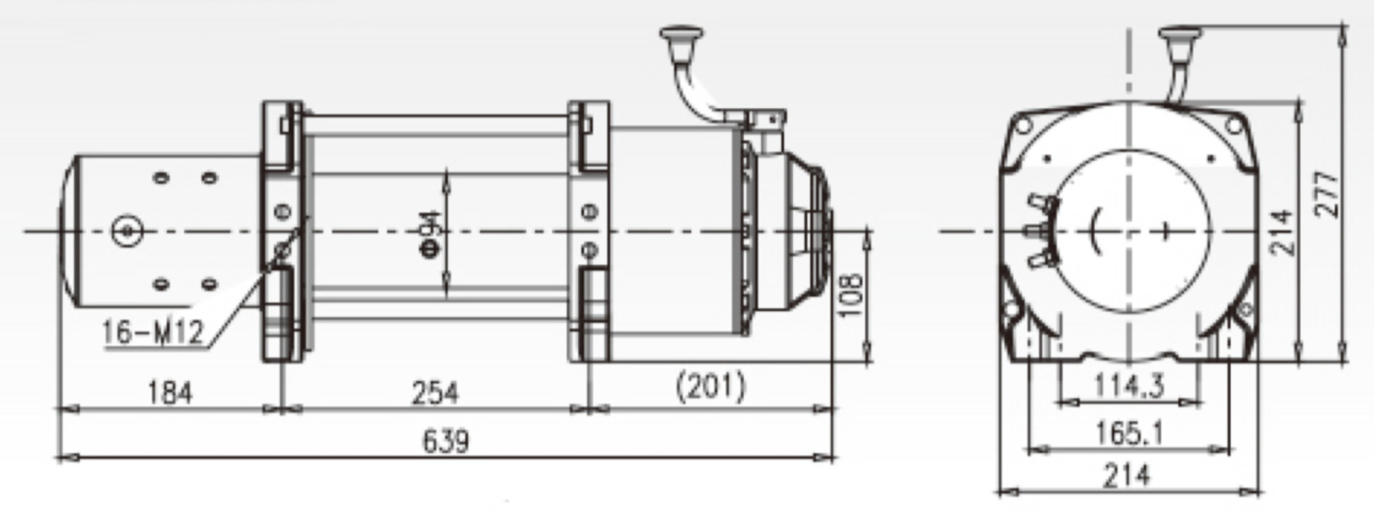
Габариты (Д х Ш х В): 639 х 214 х 214 мм
Посадочные размеры: 254 х 114.3 мм
Вес: 67 кг
Производительность (на первом слое троса):
Комплектация и сервис
В комплект поставки входят 4-сторонние роликовые направляющие (Roller Fairlead) и стальной трос. Лебедка отличается продуманной конструкцией и высокой ремонтопригодностью. Для использования требуется аккумулятор с минимальным пусковым током 650 CCA.
Нет отзывов
У этого товара пока нет отзывов
