Лебедка гидравлическая Мамонт ЛПГ158И – это рабочая лошадка созданная для удовлетворения самых требовательных коммерческих или самых сложных промышленных задач. Серия Мамонт идеально подходит для аварийно-спасательных операций, тяжелых бортовых прицепов и кранов. Серия Мамонт соответствует требованиям EN14492-1: 2006 и SAE J706.
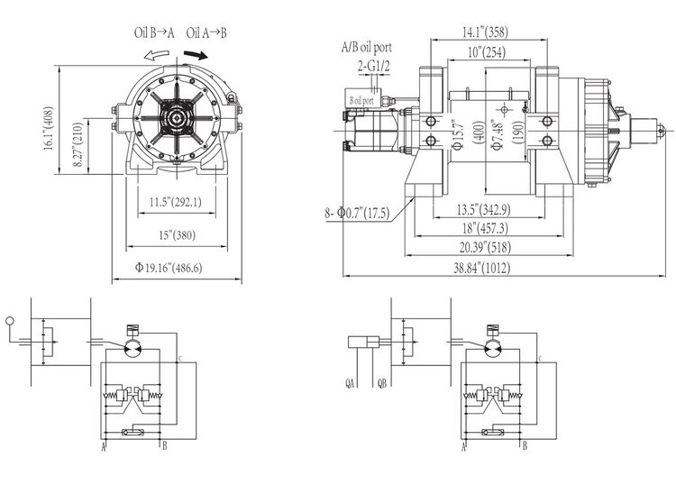
Редуктор в масляной ванне обеспечивает высокую производительность и эффективность.
Два отверстия для крепления троса на барабане для безопасной эксплуатации.
Двойной балансировочный клапан обеспечивает надежную работу тормоза.
Безопасная конструкция пневматической муфты одинарного действия также включает в себя дополнительную ручную муфту для максимальной надежности.
Высокоэффективный и долговечный гидравлический двигатель.
Надежная 100% автоматическая многодисковая гидравлическая тормозная система.
ФУНКЦИИ:
| Модель | ЛПГ158И | |||||
|---|---|---|---|---|---|---|
| Слой троса | Тяга по слоям | Скорость намотки | Остаток троса на барабане | |||
| lbs | kg | fpm | mpm | ft | m | |
| 1 | 30000 | 13608 | 15.1 | 4.6 | 22.9’ | 7 |
| 2 | 25578 | 11600 | 17.4 | 5.3 | 52.5’ | 16 |
| 3 | 22288 | 10108 | 19.7 | 6 | 91.8’ | 28 |
| 4 | 19750 | 8957 | 22 | 6.7 | 134.5’ | 41 |
| 5 | 17728 | 8040 | 24.3 | 7.4 | 170.6’ | 52 |
| Модель | Вес | |
|---|---|---|
| lbs | kg | |
| ЛПГ158И | 573 | 260 |
Нет отзывов
У этого товара пока нет отзывов
