Если ваша работа не ждет ненадежной лебедки, гидравлическая лебедка от Автоспас - ЛПГ115И Мамонт с механическим переключателем свободной размотки — это рабочая лошадка, которая вам нужна. Создана для удовлетворения самых требовательных коммерческих или самых жестких промышленных задач. Идеально подходит для спасательных операций, тяжелых прицепов с плоской платформой и крановых работ, серия гидравлических лебедок Автоспас соответствует требованиям EN14492-1: 2006 и SAE J706.
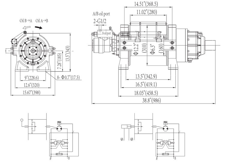
| СПЕЦИФИКАЦИЯ | |||||||||||||
|---|---|---|---|---|---|---|---|---|---|---|---|---|---|
| Модель | Натяжение первого слоя | Скорость линии первого слоя | Рабочий перепад давления. | Подача потока масла | Передаточное отношение | Диаметр троса | Слой | Мощность троса | |||||
| фунты | кг | fpm | мпм | пси | МПа | л/мин | дюйм | мм | футы | м | |||
| ЛПГ115И | 25000 | 11340 | 18 | 5.5 | 2465 | 17 | 70 | 20:01 | Φ5/8″ | Ф16 | 4 | 131' | 40 |
| Слой троса | Номинальное натяжение троса на слой | Скорость линии | Мощность троса на слой | |||
| фунты | кг | fpm | мпм | футы | м | |
| 1 | 25000 | 11340 | 18 | 5.5 | 25′ | 7.6 |
| 2 | 21153 | 9595 | 21.3 | 6.5 | 60,4′ | 18.4.3 |
| 3 | 18333 | 8316 | 24.6 | 7.5 | 101′ | 30.8 |
| 4 | 16176 | 7337 | 27.8 | 8.5 | 131′ | 40 |
| 5 | 17728 | 8040 | 24.3 | 7.4 | 170,6' | 52 |
ПРЕДУПРЕЖДЕНИЕ:
1. Не используйте лебедку для подъема людей или предметов над людьми.
2. Не используйте сцепление под нагрузкой.
3. Не погружайте лебедку в систему подачи масла без предохранительного клапана.
ПРИМЕЧАНИЕ :
1. Рекомендуемый диапазон подачи масла составляет 40-90 л/мин.
2. Двойные балансировочные клапаны в стандартной комплектации, лебедка должна использоваться в независимой системе подачи масла с предохранительным клапаном.
Нет отзывов
У этого товара пока нет отзывов
