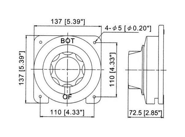
Предназначен для раздельного управления двух аккумуляторных батарей. Ключ выключателя имеет четыре положения - 1 (для работы от первого аккумулятора), 2 (для работы от второго аккумулятора), BOTH (для работы одновременно от двух аккумуляторов), OFF (для отключения питания).
Характеристики:
Нет отзывов
У этого товара пока нет отзывов
